zebradesigner免费版是一款适用于所有斑马条码打印机的编辑打印工具,我们如果想要使用斑马打印机来进行打印的话,就必须要使用zebradesigner中文版将打印内容提前编辑好,然后进行设置,就可以打印出来了。因此这款软件是斑马打印机必备的电脑软件之一。

使用 ZebraDesigner软件轻松设计各种简单或复杂的标签。我们基于 Windows? 的界面用起来很直观,几乎不用进行培训,也无需具有专业技术技能。而且,其具有窗口内设计和编辑功能。
Zebra 提供多个版本来满足不同标签设计要求,包括创建包含基本文字的标签,以及具有 RFID、固定或可变数据等复杂组成部分的标签。将 ZebraDesigner 与 Zebra 的高性能工业型中端桌面和移动打印机搭配使用,可快速设计出符合您需求的定制打印解决方案。
Zebra 专门提供免费的开发者版本,以供希望创建标签和收据模板之人使用。
全新版本的软件采用新的驱动程序*,向后兼容之前的版本,因此您可以继续使用现有的标签格式。

- 基于 Windows 的界面
- 所见即所得标签设计
- 数据库连接
- RFID 功能
- 打印机配置和诊断工具
- 支持数据库连接、RFID打印机/编码器、实时时钟、数据公式。
使用我们的 Microsoft Office 界面快速轻松地设计专业标签,即使之前不了解条形码或标签的相关知识
将用户界面设置为 20 种国际语言中的某一种
轻松连接到 Microsoft® Excel、Microsoft Access 和文本文件,或使用 ODBC 连接到其他数据库
打印和编码 RFID 标签
从 GS1-128 条码向导中获益
体验轻松的数据操控或串联
借助简单的 VB 脚本自定义标签
使用预先设计好的标签模板,或者在几分钟内从头创建模板
与 ZebraDesigner 第 2 版中创建的格式兼容
1、运行“zerpro-v250.exe”安装软件,点击下一步继续。

2、选择我接受协议,点击下一步。

3、填写用户信息,任意填写即可。

4、选择软件的安装位置,默认在C盘,选择其他位置进行安装。

5、选择开始菜单文件夹以及选择为本台计算机所有用户安装。

6、创建桌面图标点击下一步。

7、点击安装,开始安装软件。

8、正在安装,请稍等。

9、安装完成,取消勾选,点击完成。

10、安装完成后需要安装打印机,任意选择一个打印机进行安装,运行软件即可使用了。

zebradesigner免费版怎么进行标签打印?
安装ZebraDesigner软件,用百度即可下载到,之后选择创建新标签,完成。

选择要使用的对应打印机型号,下一步,接下来会选择打印标签方向和标签大小,填选正确内容即可,填完后点击完成。

ZebraDesigner是一个很好用的工具,利用左侧的工具编辑出你想要的标签内容即可,如图所示:

编辑完标签内容后,点击“文件”,“打印”,勾选“打印到文件”点击“打印”按钮,选择文件存储的位置保存即可。保存的文件后缀为.prn

用文本文档打开该PRN文件,可以看到我们在ZebraDesigner中编辑的文本和条码内容

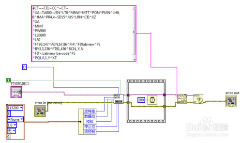
复制PRN文件中的文本内容,在labview中创建如图所示的程序框图,将复制的文本内容粘贴在字符串常量中,选择打印机的串口,运行该VI就能打印出我们需要的标签了。

ZebraDesigner打印软件如何实现变量数据多次打印?
Zebra条码打印机随机打印软件ZebraDesigner怎么一次打2张一样的?我设了变量递增条码,比如说打20张,每张的条码号递增,但是怎么把每一个条码打印两张(包装两面都需要贴条码),即总数100张?
ZebraDesigner软件实现这个功能与Bartender的方法是不一样的,需要在设置变量计数器的时候进行相应的设置。如下图所示:

其中,通过“每几张标签更改一次值”来设置
在打印的时候,按照实际数量输入即可,比如,输入100
……
【zebradesigner免费版】ZebraDesigner Pro中文版下载 v3.2.0.544 绿色免费版(含激活码) >>本地高速下载
>>本地下载